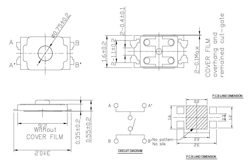
超小型、薄型 (Ultra-compact, slim type)
激光焊接工艺 (Laser welding process)
防水等级相当IP68 (Waterproof rating equivalent to IP68)
操作力度客制化 (Customizable operating force)
智能手机、平板电脑、头戴式耳机、可穿戴设备 (Smartphones, tablets, headphones, wearables)
便携式家用设备、VR/AR (Portable home devices, VR/AR)
相机、摄像机 (Cameras, camcorders)

| 项目 Items | 参数 Standard | |
|---|---|---|
| 工作温度范围 Operating temperature range | -30℃ to +85℃ | |
| 电气性能 Electrical performance | 额定电流 Rating | 50mA 12V DC |
| 绝缘电阻 Insulation resistance | 100MΩ min. 100V DC for 1 min | |
| 介电强度 Dielectric strength | 100V AC for 1 min | |
| 接触电阻 Contact resistance | 100mΩ max | |
| 耐用性 Durability | 寿命 Lifetime | 300,000 cycles |
| 机械性能 Mechanical performance | 操作力 Operating force | T:100gf J:160gf |
| 行程 Travel | 0.11 ± 0.05mm | |
